Murray Lawn Mower Deck Belt Diagram - Craftsman Lawn Tractor Diagrams Type Diagrams Momentum - Enter your murray model number below.

Info Populer 2022

Murray Lawn Mower Deck Belt Diagram - Craftsman Lawn Tractor Diagrams Type Diagrams Momentum - Enter your murray model number below.

Murray Lawn Mower Deck Belt Diagram - Craftsman Lawn Tractor Diagrams Type Diagrams Momentum - Enter your murray model number below.
Murray Lawn Mower Deck Belt Diagram - Craftsman Lawn Tractor Diagrams Type Diagrams Momentum - Enter your murray model number below.

Murray Lawn Mower Deck Belt Diagram - Craftsman Lawn Tractor Diagrams Type Diagrams Momentum - Enter your murray model number below.. The manual explains how this is done. Based on that info, and the way the. Instructions to install murray lawn tractor belts. Looks like a 2008 model. Model numbers on murray riding lawn mowers are found on the back of the mower or under the seat.

One is a transmission belt, and the second one is a mowing deck drive belt. Within 30 mins after changing it i've seen the diagrams. My 10 hp 30 craftsman is basically the same as the murray. Murray 38 lawn tractor 387000x92a ereplacementparts com. When handling auto repairs, you may feel overwhelmed and lost.

Murray Oem Replacement Belts Lawn Mower Parts Mfg Supply
Murray Oem Replacement Belts Lawn Mower Parts Mfg Supply from www.mfgsupply.com
I do know that the mower is a murray widebody lt with a 17.5 hp engine with a hydrostatic transmission and a 46 inch cutting deck. If this is your case, you need to learn more about auto repairs. Model numbers on murray push mowers and walk behind mowers are normally on the center of the deck between the brackets that mount the lower handle. Take care of your car and make it last. Engage the clutch and set the brake. The manual explains how this is done. The belts stretch and wear with use. 91926 for blades with round center hole on riding mower lawn tractor 1990 to present use with oregon 82 243 oregon 82 023 oregon 82 250 spindles.

My 10 hp 30 craftsman is basically the same as the murray.

Search for your murray model. Parts lookup for murray power equipment is simpler than ever. I show you the correct belt path for murray riding lawn mower cutting deck model 405014x92.use my affiliate links to support my channel at no cost to you: Install murray deck belt diagram www mauriciolemus com. Craftsman riding lawn mower craftsman lawn mower parts murray lawn mower lawn mower repair pergola pictures backyard garden landscape riding lawn mowers lawn equipment small engine. Nobody wants to break down, when your murray lawn mower belts look worn or cracked trust jack's to have the exact replacement belts you need. Drive belt replacement scotts 2046h jd2046h throughout murray lawn mower deck parts diagram, image size 800 x 466 px, and to view image details please click the image. I boke the primary belt on my murray 17 hp 42 inch mower and i can't seem to remember how it went on,please help.:o. Murray 38 lawn tractor 387000x92a ereplacementparts com. Jimmy butler on june 08, 2011: Engage the clutch and set the brake. Murray lawn tractor 38633x92a ereplacementparts com. The belts stretch and wear with use.

Model numbers on murray riding lawn mowers are found on the back of the mower or under the seat. Some precautions to take before exchanging the belts Worn or broken ground drive belt, bad seat switch, transaxle freewheel control engaged, transaxle failure, dirty carburetor. The belts stretch and wear with use. Click the search button to see more results.

Mower Deck Belt 37x62ma For Murray Lawn Equipments Ereplacement Parts
Mower Deck Belt 37x62ma For Murray Lawn Equipments Ereplacement Parts from www.ereplacementparts.com
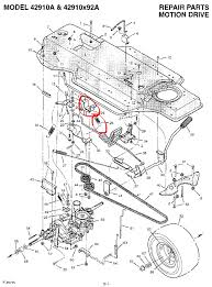
Solved belt diagram for a murray 46 model x92a fixya belt diagram for a murray 46 model x92a 2 belt 3 blade system i need primary belt routing picture would be murray 46 primary lawn. Murray lawn tractors use two types of rubber belts: Murray is a major name in lawn and garden maintenance equipment, with several lawn mower models on the market. We are an authorized murray mower service dealer carrying a large selection of murray illustrated parts lists. Both of them help the mower to work properly with their blades. Tw1276, you did not tell us if you are looking for the drive belt or the mower belt. Murray emt h 15 5hp 42 murray lawn tractor 2012 parts diagrams. Could you please send me a drive belt and the deck belt diagram for a murry model number 42516 x 92.

Model numbers on murray riding lawn mowers are found on the back of the mower or under the seat.

Lawn mower deck belts schematic diagram. The sticker under the seat that should have the model information has been worn away. Both of them help the mower to work properly with their blades. I need a diagram to show how to route it model# 465306x8. Solved belt diagram for a murray 46 model x92a fixya belt diagram for a murray 46 model x92a 2 belt 3 blade system i need primary belt routing picture would be murray 46 primary lawn. Search by application, or if you know the murray part number, or model you can match them below. When handling auto repairs, you may feel overwhelmed and lost. I boke the primary belt on my murray 17 hp 42 inch mower and i can't seem to remember how it went on,please help.:o. Mtd yard machines 46 cut riding mower deck belt installation. Murray lawn tractors use two types of rubber belts: We are an authorized murray mower service dealer carrying a large selection of murray illustrated parts lists. I have found the best way to replace the 37 x 65 motion drive belt is this: Murry deck belt installation need a murray drive belt diagram.

Ayp 36 inch to 42 deck parts diagram lawnmower pros. We are an authorized murray mower service dealer carrying a large selection of murray illustrated parts lists. A transmission belt and a or mower blades accidentally start while you are working with lawn. Search for your murray model. Install murray deck belt diagram www mauriciolemus com.

Murray Riding Mower Belt Diagram Troubleshooting Hubpages
Murray Riding Mower Belt Diagram Troubleshooting Hubpages from images.saymedia-content.com
Model numbers on murray riding lawn mowers are found on the back of the mower or under the seat. If you do not see the murray part you need, please complete the lawn parts request form and we will be happy to assist you. Tw1276, you did not tell us if you are looking for the drive belt or the mower belt. I boke the primary belt on my murray 17 hp 42 inch mower and i can't seem to remember how it went on,please help.:o. My 10 hp 30 craftsman is basically the same as the murray. Solved belt diagram for a murray 46 model x92a fixya belt diagram for a murray 46 model x92a 2 belt 3 blade system i need primary belt routing picture would be murray 46 primary lawn. The belts stretch and wear with use. Murray lawn mower belt diagram 46 inch.

If this is your case, you need to learn more about auto repairs.

Do you have any possibilities of the. I am replacing a drive belt for a murray lawn mower. Some precautions to take before exchanging the belts Click the search button to see more results. In general, murray lawn tractors need to use two types of belts for riding. Enter your model number in the search box above or just choose from the list below. Need a drive belt diagram for a murray lawn mower model x8 please find attached a amateur drawing of the belt routing for the 37x89ma primary deck. Deck drive belt for murray 40 cut decks lt tractors built 1989 newer side discharge 12 x 86 38 murray 037x62ma 37x62. Nobody wants to break down, when your murray lawn mower belts look worn or cracked trust jack's to have the exact replacement belts you need. Drive belt replacement scotts 2046h jd2046h throughout murray lawn mower deck parts diagram, image size 800 x 466 px, and to view image details please click the image. Within 30 mins after changing it i've seen the diagrams. A transmission belt and a mowing deck drive belt. Murray mower parts diagram beautiful western auto wizard lawn tractor parts model ayp9187b89.

Advertisement

Iklan Sidebar